|
Добавил(а) microsin
|
|
После разборки мощного блока питания от сервера Compaq остался кулер TA450DC. Решил разобраться в цоколевке его разъема и сделать домашний вентилятор.

Из TA450DC выходит 4 провода:
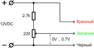
Черный - земля, минус питания. Зеленый - напряжение для управления скоростью вращения. Красный - силовое питание +12V. Желтый - должен быть выходом датчика оборотов, но как его использовать не разобрался.

У сигнала на зеленом проводе инверсная логика - если на нем 0V относительно черного провода, то скорость вращения максимальная. При повышении напряжения на зеленом проводе частота вращения уменьшается, и когда уровень достигает 0.69V, вентилятор останавливается.
Для регулировки частоты вращения я собрал вот такую простую схему:

|